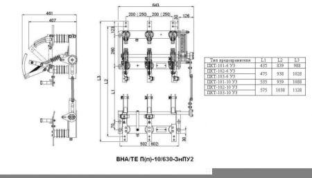
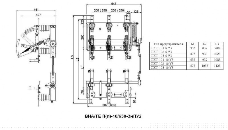
Характеристики
Номинальное напряжение, кВ
—
10
Номинальный ток, А
—
400 или 630
Масса, кг не более
—
55
Климатическое исполнение
—
У1
Количество заземлителей
—
1
Наличие уточняйте у наших менеджеров
Описание
Выключатель Нагрузки Автогазовый производства АО «ЗАВОД «ИНТЕГРАЛ» типа ВНА/ТЕ с приводом выключателя и ножей заземления расположенным с правой (П(п)) стороны, межфазным расстоянием 185 мм., 200 мм. или 250 мм., на напряжение 10 кВ, и ток 400 или 630А, исполнение с рамой под предохранители (П) типа ПКТ.
